Pneutork offers ISO 5211 pneumatic rotary actuator operated PTFE lined butterfly valve for corrosive application. The PTFE seal lined covers the entire wetted surface of the body and extends on to the flanged contact taces. The elimination as possibility of media contact with the body.
On/Off Actuator
NAMUR Standard solenoid valve all standard coil voltage
(Flame proof solenoid coil on request)
Pneumatic & Electro pneumatic valve positioner.
Declutchable Manual Over ride
Limit Switch for on/off indication at panel board.
Air filter + Regulator combination with pressure Gauge
Air Lock Valve
| Valve Type | Centric disc butterfly valve with FEP/PFA lined body |
|---|---|
| Body Type | Short Wafer (sandwiched between flanges) two piece design |
| Seat Type | Teflon Sleeve |
| End Connection | Wafer Sandwiched |
| Pressure Rating | PN 10 / PN16 (On Request) |
| Oper. Temp. Range | -160ºC depending on MOC |
| Seat Leakage | Tight Shut off |
| No. | Description | Material |
|---|---|---|
| 1 | Body | CI/WCB/CF8/CF8M/DI |
| 2 | Disc | DI/SS 304 / SS 316 |
| 3 | Seat | PTFE |
| 4 | Collar | PTFE |
| 5 | “O” Ring | Viton |
| 6 | Metal Bush | PTFE Coated |
| 7 | Top Shaft | AISI 410 |
| 8 | Pad | Silicon |
| 9 | Disc Pin | S. S. 304 |
| 10 | Bottom Shaft | AISI 410 |
| 11 | “O” Ring | Viton |
| 12 | Plug | M.S. |
| 13 | Actuator | Aluminium Standard |
|
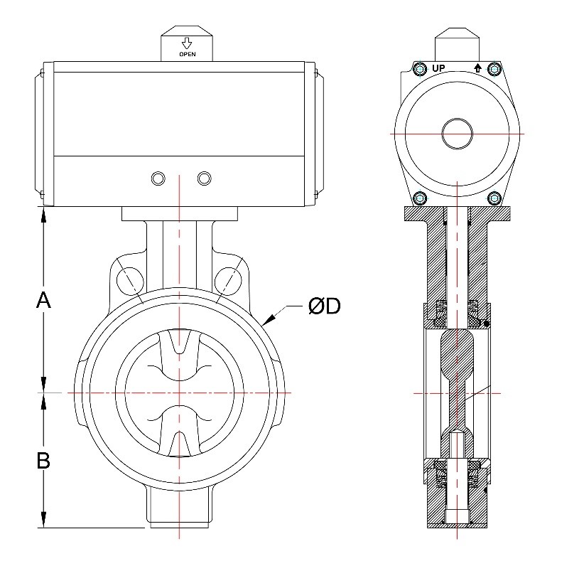
Valve Size
MM |
Inch | A | B | ØD |
|---|---|---|---|---|
| 50 | 2" | 99.5 | 67 | 101 |
| 65 | 2.1/2" | 115 | 65 | 112 |
| 80 | 3" | 120 | 81 | 130 |
| 100 | 4" | 158 | 95 | 160 |
| 125 | 5" | 153.5 | 112.5 | 185 |
| 150 | 6" | 195 | 122 | 218 |
| 200 | 8” | 221 | 165 | 270 |
| 250 | 10" | 236 | 208 | 340 |
| 300 | 12" | 270 | 243.5 | 380 |
Reach out for tailored solutions. Our team is ready to assist. Submit an inquiry and experience excellence in valve automation solutions.