Pneutork offers ISO 5211 pneumatic rotary actuator operated flow control application of Air and Gas.
On/Off Actuator
NAMUR Standard solenoid valve in all standard coil voltage
(Flame proof solenoid coil on request)
Pneumatic & Electro pneumatic valve positioner.
Declutchable Manual Over ride
Limit Switch for on/off indication at panel board.
Air filter + Regulator combination with pressure Gauge
Air Lock Valve
| Valve Type | Centric Disc Damper Valve Double flange |
|---|---|
| Body Type | Double Flange |
| Seat Type | Metal to Metal |
| End Connection | PN6, EN 1092 – 1 (ASME B16.47 SERIES B) |
| Pressure Rating | 5KG/CM |
| Oper. Temp. Range | Upto 450ºc |
| Seat Leakage | 5% Leakage of main flow (class 1 available On Request) |
| Item | Type of Test | Testing Pressure |
|---|---|---|
| Actuator | Pneumatic Bubble Test | 180 PSI to 150 PS |
| Valve body | Hydraulic | 10 Kg/Cm |
| Seat | Hydraulic | 5% leakage |
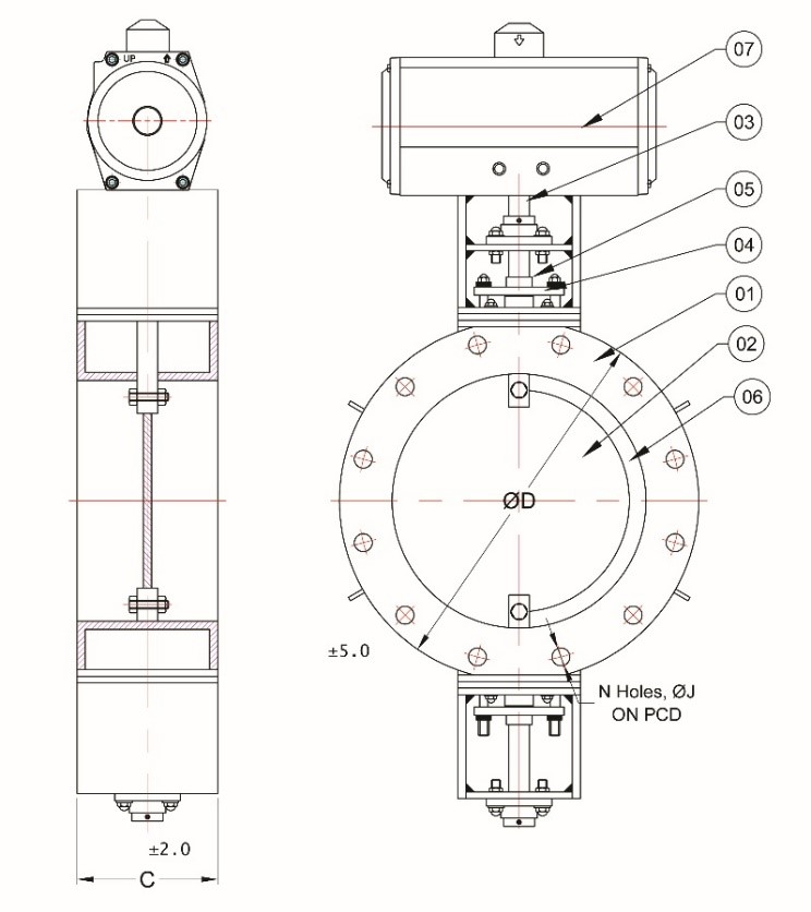
| No. | Description | Material |
|---|---|---|
| 1 | Body | M S FABRICATED |
| 2 | Disc | MS / S S 304 / 316 |
| 3 | Shaft | AISI 410 |
| 4 | Gland Pata | M S |
| 5 | Bearing | Standard |
| 6 | Seat Ring | M S FABRICATED |
| 7 | Pneumatic Actuator | Standard |
|
Valve Size
MM |
Inch |
ØD
±5MM |
PCD
±0.5MM |
N | ØJ | A | B |
C
±2MM |
|---|---|---|---|---|---|---|---|---|
| 200 | 8" | 320 | 280 | 8 | 18 | 310 | 360 | 150 |
| 250 | 10" | 375 | 335 | 12 | 18 | 338 | 388 | 150 |
| 300 | 12" | 440 | 395 | 12 | 22 | 370 | 420 | 150 |
| 350 | 14" | 490 | 445 | 16 | 22 | 395 | 445 | 150 |
| 400 | 16" | 540 | 495 | 16 | 22 | 420 | 470 | 150 |
| 450 | 18" | 595 | 550 | 16 | 22 | 415 | 498 | 150 |
| 500 | 20" | 645 | 600 | 20 | 22 | 470 | 573 | 200 |
| 600 | 24" | 755 | 705 | 20 | 26 | 498 | 628 | 200 |
| 650 | 26" | 785 | 744 | 20 | 26 | 573 | 643 | 200 |
| 700 | 28" | 860 | 810 | 24 | 26 | 628 | 680 | 200 |
| 750 | 30" | 887 | 846 | 24 | 26 | 643 | 694 | 200 |
| 800 | 32" | 975 | 920 | 24 | 30 | 680 | 738 | 200 |
| 850 | 34" | 1005 | 957 | 24 | 30 | 694 | 753 | 200 |
| 900 | 36" | 1075 | 1020 | 24 | 30 | 738 | 838 | 250 |
| 1000 | 40" | 1175 | 1120 | 28 | 30 | 788 | 868 | 250 |
Reach out for tailored solutions. Our team is ready to assist. Submit an inquiry and experience excellence in valve automation solutions.