Pneutork make on/off, modulating, intergral starter actuator operated rubber lined butterfly valve for HVAC & utilities. These valves are truly Fit & Forget Valve which requires minimum maintenance. The body line which also function as per soft seat, comes in integrally moulded version and offers bi-directional sealing against vacuum up to the pressure of PN 10 / PN 16
1.1/2” to 28” (40mm to 700mm)
| Valve Type | Centric Disc Butterfly Valve with single Piece Rubber Lined Body |
|---|---|
| Body Type | Soft Wafer Type |
| Seat Type | Integrally moulded with The Body (Renewable seat on Request) |
| End Connection | Wafer type Suit 150# / Table “D” / Table “E” & IS 6392 Table 11 (PN 10/PN 16) |
| Pressure Ratin | PN10 / PN 16 (PN20 on request) |
| Oper. Temp. Range | -20ºC to 80ºC for nitrile seat (Depending on MOC) -20ºC t 120ºC for EPDM seat |
| Seat Leakage | Tight Shut Off |
| Item | Type of Test | Testing Pressure | Temperature Range | |
|---|---|---|---|---|
| Seat | Temperature | |||
| Valve Body | Hydraulic | 225 PSIG | Nitrile | -13°C to 100°C |
| Seat | Hydraulic | 150 PSIG | EPDM | -13°C to 120°C |
| Silicon | -50°C to 180°C | |||
| VITON | -5°C to 200°C | |||
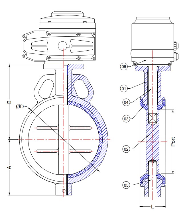
| No. | Description | Material | Qty. |
|---|---|---|---|
| 1 | Body | Cast iron/WCB/S.S.304/S.S.316 | 01 |
| 2 | Disc | S.G. Iron/S.S.304/S.S.316 | 01 |
| 3 | Moulded Seat | Nitrile/EPDM/Viton/Silicon | 01 |
| 4 | Shaft | AISI 410/AISI 304/AISI 316 | 01 |
| 5 | Bottom Pin | AISI 410/AISI 304/AISI 316 | 01 |
| 6 | Pneumatic Actuator | STD. |
| Valve Size | Port | L | ØD | A | B | PCD 00.5MM | Tapped | |
|---|---|---|---|---|---|---|---|---|
| MM | Inch | |||||||
| 40 | 1.1/2 | 40 | 34 | 80 | 61 | 106 | ||
| 50 | 2 | 50 | 44 | 95 | 65 | 121 | ||
| 65 | 2.1/2 | 65 | 46 | 108 | 71 | 124 | ||
| 80 | 3 | 80 | 46 | 124 | 80 | 130 | ||
| 100 | 4 | 100 | 52 | 150 | 98.5 | 146.5 | ||
| 125 | 5 | 125 | 56 | 186 | 112.5 | 162 | ||
| 150 | 6 | 150 | 56 | 205 | 125 | 177 | ||
| 200 | 8 | 200 | 60 | 258.5 | 152.5 | 202 | ||
| 250 | 10 | 241 | 68 | 316 | 193 | 262 | ||
| 300 | 12 | 286 | 78 | 365 | 218 | 287 | ||
| 350 | 14 | 333 | 78 | 435 | 255 | 332 | ||
| 400 | 16 | 382 | 102 | 488 | 310 | 363 | ||
| 450 | 18 | 433 | 114 | 540 | 340 | 388 | 577.9 | 1 UNC |
| 500 | 20 | 476 | 127 | 600 | 370 | 425 | 635 | 1 UNC |
| 600 | 24 | 590 | 154 | 695 | 449 | 495 | 749.3 | 1.1/4" UNC |
| 650 | 26 | 635 | 165 | 740 | 455 | 490 | 806.4 | 1.1/4" UNC |
| 700 | 28 | 680 | 165 | 799 | 488 | 553 | 863.6 | 1.1/4" UNC |
Reach out for tailored solutions. Our team is ready to assist. Submit an inquiry and experience excellence in valve automation solutions.